HIGDM6100、HIGDM6200、HIGDM6300多功能表
HIGDM6000系列產品由單功能電測儀表和多功能電測儀表兩類組成。常用型號有:HIGDM6100、HIGDM6200、HIGDM6300、HIGDM6450、HIGDM6600、HIGDM6700、HIGDM6800、HIGDM6900。
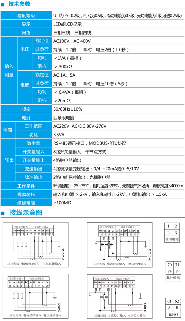
該系列儀表可測量電流、電壓、功率、功率因數、電能等電力參數,同時還具有諧波測量功能,通過液晶屏直接顯示測量結果;另具有多種擴展功能:RS485通訊、開關量輸入、開關量輸出(可設限報警或遙控)、電能脈沖輸出和多路模擬量輸出;用戶可以自由選擇基本功能和擴展功能,并可現場設置倍率、修改數據循環顯示時間。
該系列儀表可以直接替代電力變送器、測量指示儀表等相關的輔助單元,通過功能和擴展模塊的選擇,可以實現數字通訊、變送和四遙等功能;已經廣泛應用于各種開關柜、直流屏等電力設備中,集成到各類控制系統、SCADA系統中、實現遠程抄表等能源管理功能。


上一篇:數字高壓表原理