概述:
交流電動機軟起動器是采用電力電子技術,微處理技術及現代控制理論而設計生產的具有當今國際先進水平的新型起動設備。交流電動機軟起動器能有效地限制交流異步電動機起動時的起動電流,可廣泛應用于風機、水泵、輸送類及壓縮機等負載,是傳統的星/三角轉換、自耦降壓、磁控降壓等降壓設備的理想換代產品。
知識科普:軟起動器的工作原理、軟起動裝置的性能及應用、三相異步電機啟動方式、軟啟動和變頻器的區別
軟啟動器樣本:點擊下載
軟啟動器分類:












用軟啟動的好處:
1.降低電動機的起動電流,減少配電容量,避免增容投資;
2.減少起動應力,延長電動機及相關設備的使用壽命;
3.平穩的起動和軟停車避免了傳統起動設備的喘振問題、水錘效應;
4.多種起動模式及寬范圍的電流、電壓等設定,可適應多種負載情況,改善工藝;
5.完善可靠的保護功能,更有效的保護電動機及相關設備的安全;
一、常用的幾種啟動方式性能對比
啟動不同功率的三相電機有不同的啟動方法,一般55KW以下使用直接啟動或是星三角啟動,75KW以上的電機啟動通常使用自耦降壓啟動或是采用軟啟動器起動。
如果您的設備采用的是75千瓦電機,如果使用以下三種啟動方式,那么結果很有可能是:
當然,以上的對比是我們想當然展示出來的,實際情況中您很有可能會采用自耦變壓器降壓啟動這個傳統的方案。因為自耦降壓啟動技術成熟,價格低廉,雖然它沒有軟啟動器那么高大上,沒有它那么多功能,在接線上沒有它那么簡單,效果沒它那么好,甚至使用壽命也沒軟起動器那么長,但是... 如果預算高一點我一定會采用軟啟動器,誰不想用好的方案呢?


二、完備的電機保護功能到底有多重要?
正宗的湘機牌YE2系列75KW全銅三相電機開票怎么也得7500+以上,相信這是眾所周知的,我想它用個5-10年應該不成問題。
但是,如果經常啟動,經常5-7位的啟動電流,我想它的壽命一定不長,因為我們周圍燒壞電機的例子太多太多了。
當然,這又是我們主觀的看法,因為電機負載前一般都會接熱繼保護的?墒菬崂^保護管不了缺相,一旦電機缺相,毀掉一臺75KW的電機也只是分分鐘的事。這樣的事我親身經歷過,真是慘不忍睹,追悔莫及!
所以,事實告訴我們,電機保護真的一點都不能馬虎,否則帶來的就是血淋淋的教訓。
三、符合時代要求的智能軟啟動
聯洲軟啟動器是一種集軟啟動、軟停車、輕載節能和多功能保護于一體的電機控制裝備。實現在整個啟動過程中無沖擊而平滑的啟動電機,而且可根據電動機負載的輕重來改變啟動模式,如電壓斜波啟動、限流啟動、突跳+限流啟動、突跳+電壓啟動等,使電機啟動時壓降不大,啟動最大電流盡可能小,啟動過程更平緩。
因為這么做的好處有很多,可以將電機的使用壽命延長,可以降低負載沖擊和損耗,可以節約電能等等。
聯洲軟啟動器在啟動完成后會繼續監測電機運行時的電流、電壓等參數,根據已設置好的參數對電機進行保護和控制,如過載后電流過大可以進行斷電保護,檢測到缺相后馬上給電機停電,又或是電壓過低過高進行斷電保護等,多種電機保護功能都可通過設置面板進行參數設置。
四、做工扎實 質量過硬!
聯洲電器軟啟動器集軟起、軟停、電流監測、多種保護功能于一身,接線簡單,維護方便,更重要的是我們保質保用!聯洲軟啟動生產線有著嚴苛的裝配要求,每個工段都必須量化,沒有含糊的細節,以此來保證我們的軟啟動產品做工扎實、質量過硬。
六、軟啟動器技術參數
| 生產標準 | 符合國家標準:GB14048.6-98 |
| 電源(V伏特) | AC380-15%...415+10% 400-15%...500+10% |
| 頻率 | 50-60HZ赫茲 |
| 適用電機 | 鼠籠式三相異步電動機 |
| 保護功能 | 過流、過載、電源缺相、過壓、欠壓、過熱 |
| 過程調節 | 起動、停止時間可調,電流電壓按負載輕重調大調小 |
| 顯示和控制 | 五位LED數碼管顯示,可設置面板控制、端子控制、遠程控制 |
| 起動頻度 | 建議每小時不超過20次 |
| 防護等級 | IP40(可協議) |
| 抗沖擊 | 15G 11MS |
| 抗震能力 | 海拔地面起3000米以下,振動力裝置0.5G以下 |
| 溫度 | 工作環境0...+40不降容(+40-60℃之間,每升高1℃電流降低1.2%)存貯:-25...+70℃ |
| 濕度 | 95%無冷凝或滴水 |
| 最大工作高度 | 1000米以下不降容,1000米以上每增加100米電流降低0.5% |
| 冷卻方式 | 自然風冷 |
| 產品質保 | 交貨之日起壹年 |
| 供貨期 | 壹天,數量多根據生產任務排單 |
七、軟啟動器形和安裝尺寸
| 功率(KW) | 額定電流 (A) |
外形尺寸 | 安裝尺寸 | 安裝孔徑 (MM) |
重量(KG) | |||
| A | B | C | D | E | ||||
| 5.5 | 11 | 260 | 160 | 180 | 242 | 145 | ¢6.0 | ≤5.0 |
| 7.5 | 15 | 260 | 160 | 180 | 242 | 145 | ¢6.0 | ≤5.0 |
| 11 | 22 | 260 | 160 | 180 | 242 | 145 | ¢6.0 | ≤5.0 |
| 15 | 30 | 260 | 160 | 180 | 242 | 145 | ¢6.0 | ≤5.0 |
| 18.5 | 37 | 260 | 160 | 180 | 242 | 145 | ¢6.0 | ≤5.0 |
| 22 | 44 | 260 | 160 | 180 | 242 | 145 | ¢6.0 | ≤5.0 |
| 30 | 60 | 260 | 160 | 180 | 242 | 145 | ¢6.0 | ≤5.0 |
| 37 | 74 | 260 | 160 | 180 | 242 | 145 | ¢6.0 | ≤5.0 |
| 45 | 90 | 260 | 160 | 180 | 242 | 145 | ¢6.0 | ≤5.0 |
| 55 | 110 | 260 | 160 | 180 | 242 | 145 | ¢6.0 | ≤5.0 |
| 75 | 150 | 260 | 160 | 180 | 242 | 145 | ¢6.0 | ≤5.0 |
| 90 | 180 | 480 | 258 | 184 | 365 | 199 | ¢5.8*8 | ≤15 |
| 110/ 115 |
220/ 230 |
480 | 258 | 184 | 365 | 199 | ¢5.8*8 | ≤15 |
| 132 | 264 | 480 | 258 | 184 | 365 | 199 | ¢5.8*8 | ≤15 |
| 160 | 320 | 480 | 258 | 184 | 365 | 199 | ¢5.8*8 | ≤24 |
| 185 | 370 | 480 | 258 | 184 | 365 | 199 | ¢5.8*8 | ≤24 |
| 230 | 365 | 480 | 258 | 184 | 365 | 199 | ¢5.8*8 | ≤24 |
| 250 | 500 | 530 | 314 | 230 | 450 | 257 | ¢5.8*8 | ≤24 |
| 280 | 560 | 530 | 314 | 230 | 450 | 257 | ¢5.8*8 | ≤24 |
| 320 | 640 | 530 | 314 | 230 | 450 | 257 | ¢5.8*8 | ≤24 |
| 365 | 800 | 530 | 314 | 230 | 450 | 257 | ¢5.8*8 | ≤24 |
| 450 | 900 | 530 | 314 | 230 | 450 | 257 | ¢5.8*8 | ≤24 |
| 500 | 1000 | 530 | 314 | 230 | 450 | 257 | ¢5.8*8 | ≤24 |
八、軟啟動器基本功能設置
| 功能代碼 | 功能名稱 | 設定范圍 | 出廠值 | 說明 |
| F0 | 起始電壓 | 30-70% | 30 | 電壓斜坡模式有效,代碼FB設1時可修改,FB設0時起始電壓為40% |
| F1 | 軟起時間 | 2-60S | 16 | 電壓斜坡模式有效,代碼FB設1時修改有效 |
| F2 | 軟停時間 | 0-60S | 04 | 設置0為自由停車,一托N時請設置為0 |
| F3 | 起動延時 | 0-999S | 00 | 按起動鍵用,倒計時方式延時啟動,設0立即起動。 |
| F4 | 編程延時 | 0-999S | 00 | 運行繼電器輸出(03,04端子)設0時立即吸合 |
| F5 | 間隔延時 | 0-999S | 00 | 過熱解除時也延時,延時期間狀態指示燈閃爍提示 |
| F6 | 起動限制電流 | 50-500% | 400 | 限流模式有效,代碼FB設0時修改有效,FB設1時限流值最大400% |
| F7 | 最大工作電流 | 200% | 100 | F6,F7參數的輸入方式由F8決定 |
| F8 | 鍵盤顯示方式 | 00-03 | 01 | 顯示電流數值、百分比 |
| F9 | 欠壓保護 | 60-90% | 80 | 低于80%電壓時開始保護 |
| FA | 過壓保護 | 100-130% | 120 | 超過120%電壓時開始保護 |
| FB | 起動模式 | 00-05 | 01 | 00限流,01電壓,02突跳+限流,03突跳+電壓,04電流斜坡,05雙閉環 |
| FC | 輸出保護允許 | 00-04 | 02 | 00初級,01輕載,02標準,03重載、04高級 |
| FD | 操作控制方式 | 00-07 | 00 | 設0時為鍵盤操作,2為端子控制 |
| FE | 重起動允許 | 00-09 | 00 | 0:禁止,01-09自動重起次數 |
| FF | 參數修改允許 | 00-01 | 01 | 00:不允許修改,01允許修改參數 |
| FH | 通信地址 | 00-64 | 00 | 用于多臺設備與上位機通訊 |
| FJ | 編程輸出 | 00-07 | 00 | 7種運行繼電器輸出(03,04端子)動作設置 |
| FL | 軟停限流 | 0-1 | 00 | 自由停機模式 |
| FP | 電機功率 | 5-500KW | 90 | 匹配90KW以下電動機 |
| 提示:更詳細設備請索要說明書! | ||||
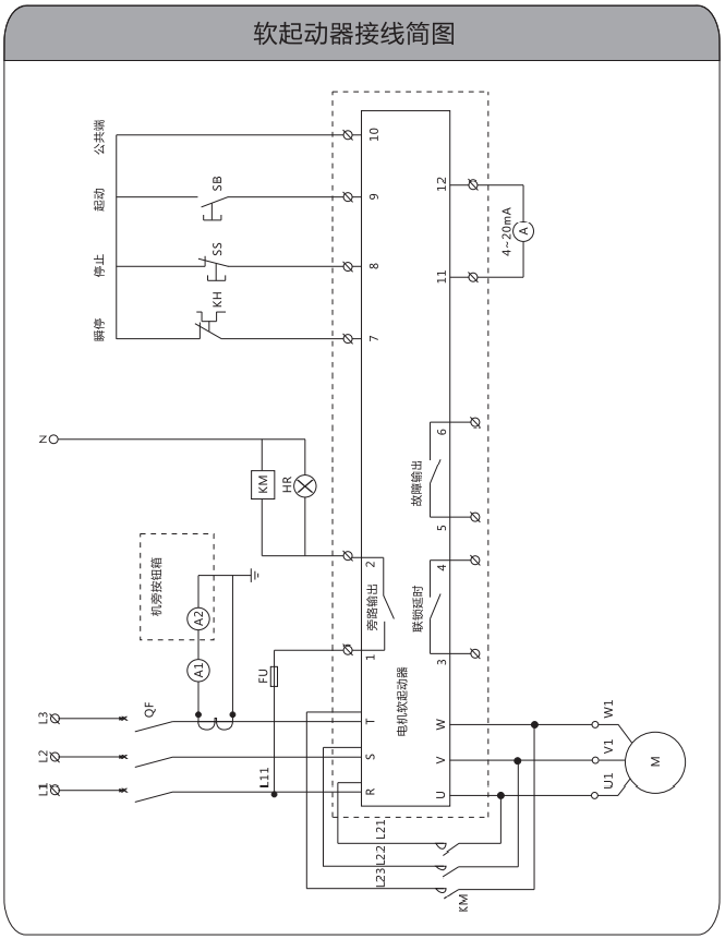
九、軟啟動器一二次接線圖
| 端子標記 | 端子名稱 | 說 明 |
| R、S、T | 主電路電源輸入 | 連接三相交流電源 |
| U、V、W | 軟起動輸出連接 | 連接三相交流電動機 |
| A2、B2、C2 | 旁路連接 | 連接旁路電磁接觸器輸入端 |
| G | 接大地 | 和箱體接地端子連接 |

十二、如何選擇適合電機功率的軟啟動
一、空載啟動、輕載啟動,只要啟動最大電流小于額定電流的4倍,都可以選擇同電機功率大小的軟啟動器,不需要加大規格。
二、重載啟動、啟動最大電流超過額定電流4-10倍的請根據最大電流來選擇軟啟動器規格,或是選改用限流+突跳模式啟動,并設置最大限制電流為300-350%。
三、電機啟動、運行、停止過程中需要保護的,都可以使用軟啟動器。其他的熱繼電器、電機保護器等都可以省掉,因為聯洲軟啟動器集成多種保護功能,在電機出現異常時可立即控制電機斷電。
四、軟啟動器的11、12端子為0-20MA直流模擬輸出,用于監視電動機的運行電流,滿度20MA時為電動機的標稱額定電流的4倍值,即75KW電機額定電流150A的4倍?赏饨0-20MA交流電流表,需要此功能的需要在訂貨時說明。
產品質保:
我公司產品質保期限一般為一年,保用十年,如需要延長可以協商。我們保證產品使用穩定可靠、耐久用的元器件,產品組裝采用防潮防塵工藝,使產品經久耐用。
關于售后:
我公司產品實行三包政策,有質量問題直接換新。在質保期內,整機有問題直接換新。持保期后電流元件有問題直接報廢換新,控制電路板有問題進行全面檢測,更換元件,再進行4倍的老化測試。
資料下載:
2、軟啟動器說明書(由于說明書PDF文檔比較大,請您聯系以下在線報價的QQ索要);