星三角啟動時間多少合適?三相異步電機啟動時間計算公式
在電機啟動方式里面,雖然說軟啟動器接線簡單、功能多而獲得眾多客戶青睞,可是由于其較貴的價格也讓不少客戶望而卻步,即便今年聯洲軟啟動器已經將價格大幅下調,特別是大功率的,可還是難改電氣工程師多年使用星三角啟動器的習慣。
星三角啟動優點是眾所周知的,它以原理簡單價格便宜著稱,可是對于啟動時間的把握還是有相當一部份電工朋友不是很清楚,這里聯洲技術中心小編同朋友們分享一篇三相異步電機啟動時間計算公式,我想能增加對星三角啟動的理解。

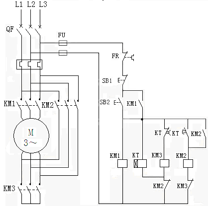
合上電源開關QF,按下按鈕SB2,使KM1得電并自鎖,隨即KM3得電,電動機接成星形,接入三相電源進行降壓啟動。在KM3得電的同時,時間繼電器KT得電,經過一段時間延時后,KT的常閉觸點斷開,KM3失電,同時KT的常開觸點閉合,KM2得電自鎖,電動機繞組接成三角形全壓運行。當KM2得電后,KM2的常閉觸點斷開,使KT斷電,避免時間繼電器長期工作,KM2,KM3常閉觸點為互鎖觸點,以防止同時接成星形和三角形造成電源短路。
時間繼電器時間調節即起動時間,可用下式計算:

電機啟動時間公式
式中tst----電動機正常起動時間,s
Pe----電動機額定功率,kW,
此計算公式簡單,為便于記憶,可編為口訣:
星三角啟動電機,整定時間的計算:
容量開方乘以二,積數加四單位秒。
例:一臺380VY200L-430kW電動機,用星三角起動,計算時間繼電器動作時間(電動機正常起動時間)

隨著技術越來越先進,產品越來越集成化,對于電機啟動方式的選擇,我們還是建議選擇比較符合時代潮流產品,在軟啟動器大行其道的今天,充分說明廣大客戶對此產品的認可。