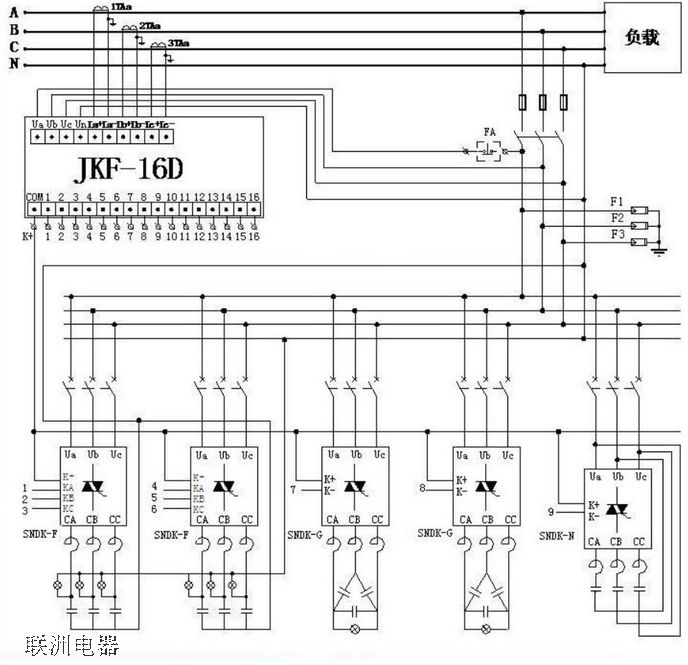
DK-G55、DK-G85復合開關接線圖和選型說明
產品介紹
1、執行標準:國家標準(GB/T29312-2012)
2、適用于0.4Kv電網系統的電容器投切開關,可控制三相共補或分相補償。
技術特點
1、實現過零投切,投入涌流≤2倍額定電流,延長電容器使用壽命。
2、自身功耗:≤4VA。無需散熱器及風機進行散熱。
3、控制信號輸入端采用光電隔離,更安全。
4、保護功能:缺相保護。
5、分補型是A、B、C三相一體,配備各相的控制端
6、電磁兼容性:EFT群脈沖試驗,4000V的A級(國家標準Z高);強大的抗干擾能力。
產品選型:

技術參數:

接線圖以及安裝尺寸:
